聯系電話:
0553-8398080
日前,安徽省住建廳發布了關于做好2022年度農村生活垃圾治理提質增效重點工作的通知,對農村生活垃圾治理提質增效工作提出了具體要求。詳情如下:
各市住房城鄉建設局(城鄉建設局)、城市管理局(城管執法局),廣德市、宿松縣住房城鄉建設局、城市管理局(城管執法局):
為貫徹落實好省委一號文件精神,提升農村生活垃圾治理水平,現就做好2022年度農村生活垃圾治理重點工作通知如下:
一、完善農村生活垃圾收運處置體系
各地要對現有生活垃圾收集轉運設施服務能力進行評估,不能滿足及時收集轉運需要的,要抓緊進行提標改造或新建新增收集轉運設施設備,進一步完善“戶集中、村收集、鄉鎮轉運、市縣處理”為主、“戶集中、村收集、直收直運、市縣處理”為輔的農村生活垃圾收運處置體系,確保農村生活垃圾能及時“收得起來、運得出去、處理得掉”,避免因收集轉運能力不足而導致生活垃圾積存等不規范現象。
二、推進農村生活垃圾分類與資源化利用
各地要把美麗鄉村中心村、以旅游餐飲為主導產業等基礎條件較好的村莊作為重點,每個鄉鎮至少選擇1個村推廣“生態美超市”“垃圾兌換超市”“星級用戶評分制”等模式,建立可回收垃圾資源化利用、廚余垃圾就近就地制肥還田(林)、有害垃圾單獨貯存處置、其他垃圾送至市縣生活垃圾無害化處理設施進行處理的農村生活垃圾分類收運處置體系。交通便捷運距適中的村莊,可將廚余垃圾送至市、縣(市、區)、鄉鎮廚余垃圾處理設施進行統一處理。各地可探索建設片區廚余垃圾處理設施。
三、加強運行服務質量監督管理
作業服務隊伍配備不到位、收集轉運設施設備服務能力不足、經費投入偏少、服務質量監督考核不到位等現象在個別地方仍有存在。各地要積極創造條件,強化日常監督考核,切實落實好運營主體的網格化管理責任及縣(市、區)、鄉鎮、村(居)的監督管理責任。適時開展市場化服務期限超過三年的項目評估,對評估發現的問題要及時進行補差補缺,切實提高市場化運行管理水平。
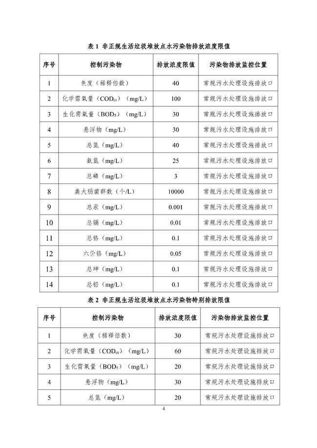
四、鞏固非正規生活垃圾堆放點整治成效
為指導各地做好非正規生活垃圾堆放點原地整治工程后期維護工作,我廳編制了《安徽省非正規生活垃圾堆放點原地整治工程后期維護指南》(簡稱《指南》,見附件)。各地要嚴格遵照《指南》要求,明確運維單位和責任人,確保運維經費到位,切實做好防滲系統、填埋氣導排收集處理與利用系統、滲濾液導排與處理系統、堆體表面綠化、其他基礎設施的正常運維等工作,按時進行污染控制、安全等監測,建立完善非正規生活垃圾堆放點原地整治工程建設和維護臺賬。
五、探索農村生活垃圾治理信息化管理
各市至少選擇1個基礎條件好、已實行市場化作業服務的縣(市、區)、鄉鎮或片區,開展信息化管理試點。利用高清視頻監控、物聯網、人工智能、圖像識別等信息技術手段,對農村清掃保潔、生活垃圾收集轉運等作業服務過程進行信息化管理,提升農村生活垃圾治理精細化管理水平。
請各市于4月12日前將本行政區域內的農村生活垃圾收集轉運設施服務能力評估情況(評估工作開展總體情況、收集轉運能力不足的鄉鎮名單、整改計劃等)、確定開展項目評估及農村生活垃圾治理信息化管理的縣(市、區)、片區、鄉鎮名單函報廳村鎮處。
附件:安徽省非正規生活垃圾堆放點原地整治工程后期維護指南






